상품 이미지 새창 보기

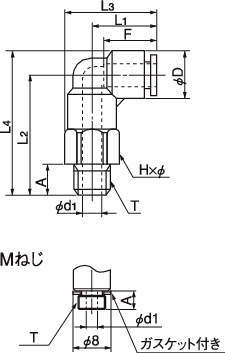
푸시원A 90°롱엘보 푸시원A 90°롱엘보