상품 이미지 새창 보기

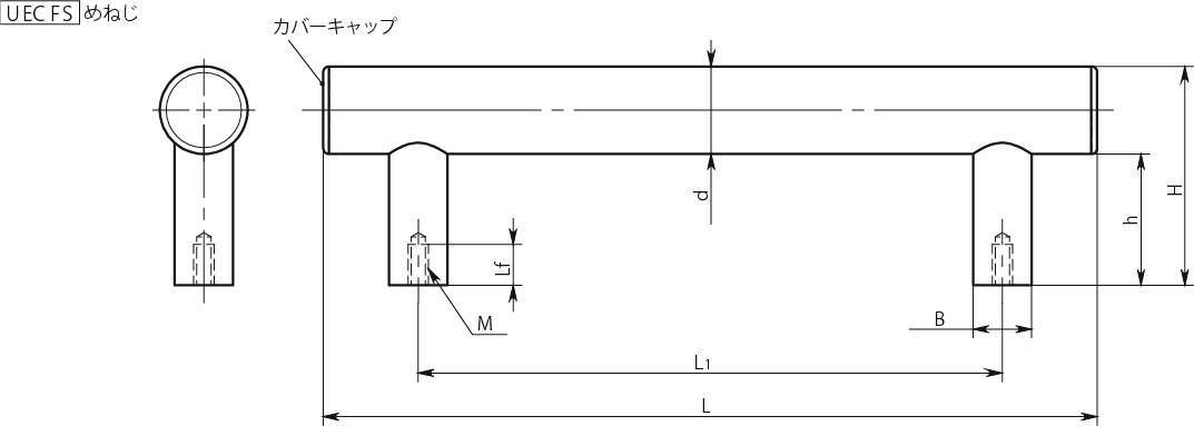
UECMS·UECFS 튜블러손잡이 UECMS·UECFS 튜블러손잡이 UECMS·UECFS 튜블러손잡이