상품 이미지 새창 보기

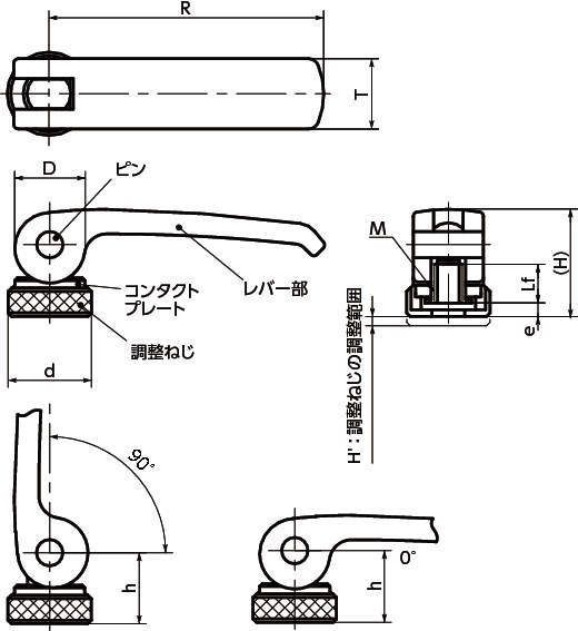
LWAFS 캠레버조정타입(암나사·스테인레스) LWAFS 캠레버조정타입(암나사·스테인레스)