상품 이미지 새창 보기

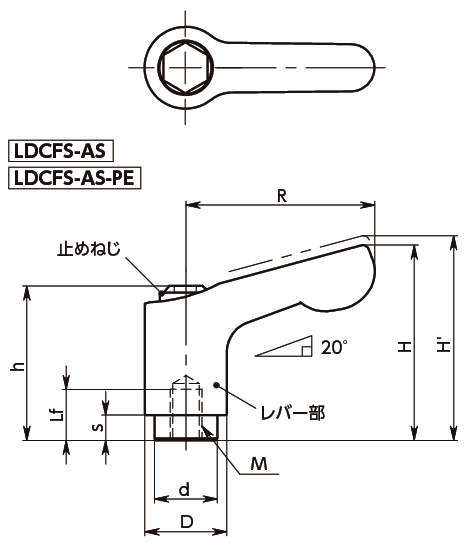
LDCFS-AS 미니클램프레버(암나사·전체스테인레스) LDCFS-AS 미니클램프레버(암나사·전체스테인레스)