상품 이미지 새창 보기

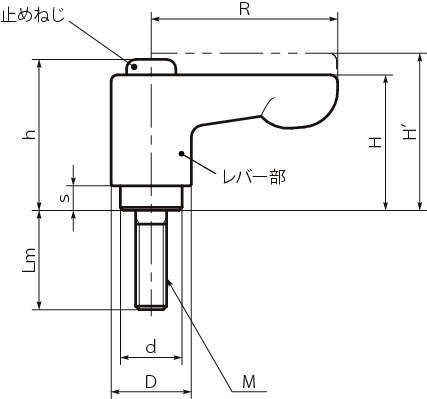
LHCM 미니클램프레버플랫타입(수나사) LHCM 미니클램프레버플랫타입(수나사)