상품 이미지 새창 보기

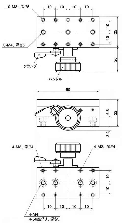
TAR 소형X축랙기어피니온스테이지 TAR 소형X축랙기어피니온스테이지