상품 이미지 새창 보기

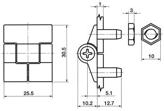
E6(-101) 어저스터블힌지 E6(-101) 어저스터블힌지