상품 이미지 새창 보기

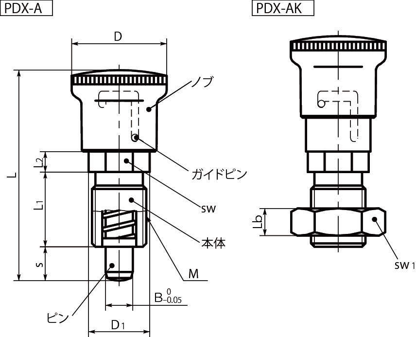
PDX 인덱스플란자(노브포함) PDX 인덱스플란자(노브포함)