상품 이미지 새창 보기

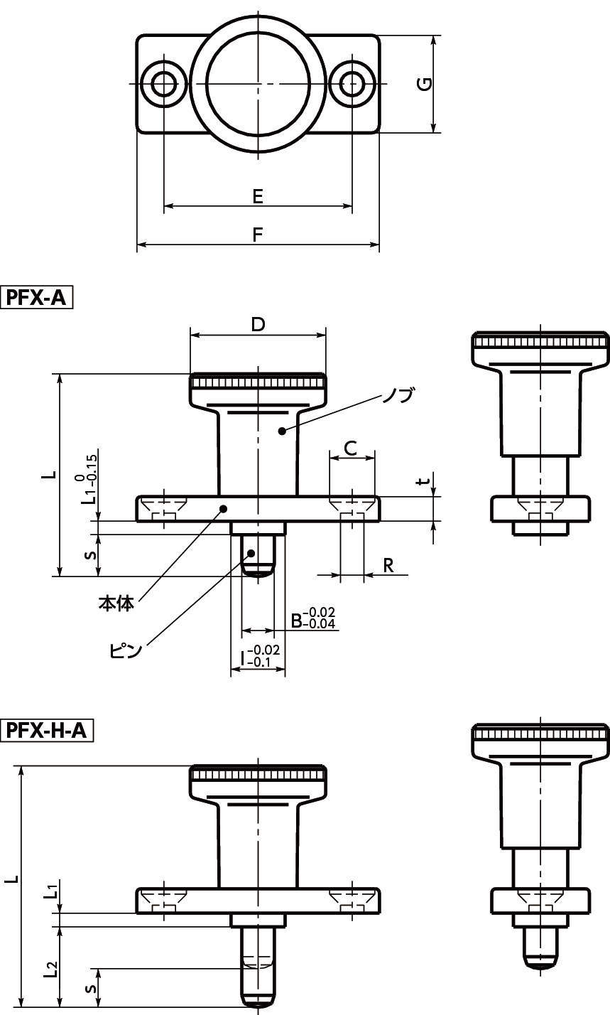
PFX 인덱스플란자 PFX 인덱스플란자