상품 이미지 새창 보기

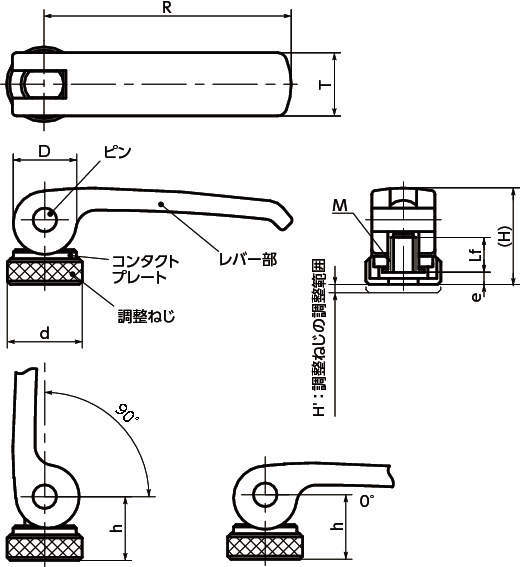
LWAF 캠레버조정타입(암나사) LWAF 캠레버조정타입(암나사)