상품 이미지 새창 보기

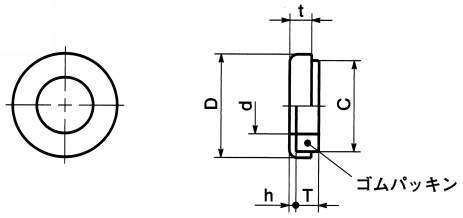
SWS 씰와셔 SWS 씰와셔