상품 이미지 새창 보기

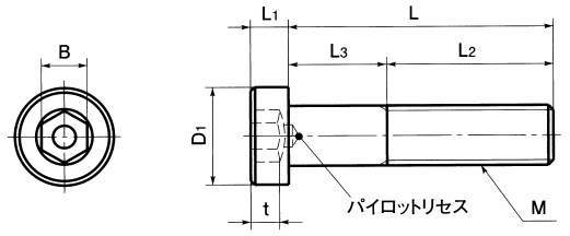
SLP 육각렌치저두볼트(파이로트리세스포함) SLP 육각렌치저두볼트(파이로트리세스포함)