상품 이미지 새창 보기

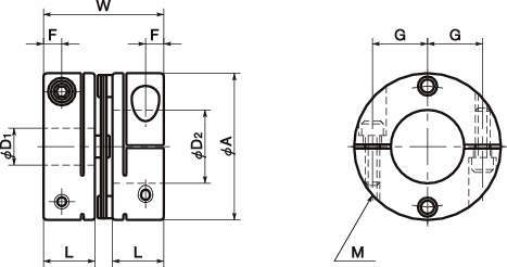
카프리콘(싱글디스크타입) MDS시리즈 카프리콘(싱글디스크타입) MDS시리즈