상품 이미지 새창 보기

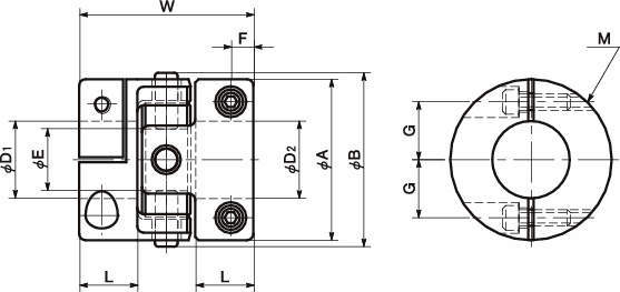
카프리콘(크로스조인트타입) XUT시리즈 카프리콘(크로스조인트타입) XUT시리즈