상품 이미지 새창 보기

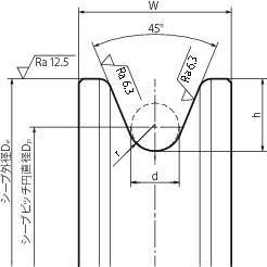
표준로프시브 표준로프시브 표준로프시브 표준로프시브 표준로프시브