상품 이미지 새창 보기

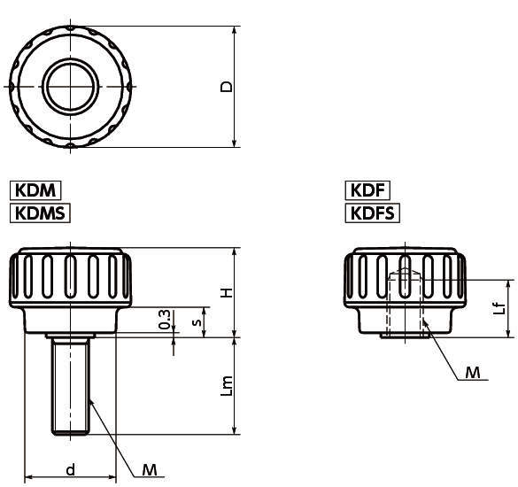
KDMS 딤플노브(수나사) KDMS 딤플노브(수나사)