상품 이미지 새창 보기

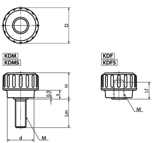
KDM 딤플노브(수나사) KDM 딤플노브(수나사)