상품 이미지 새창 보기

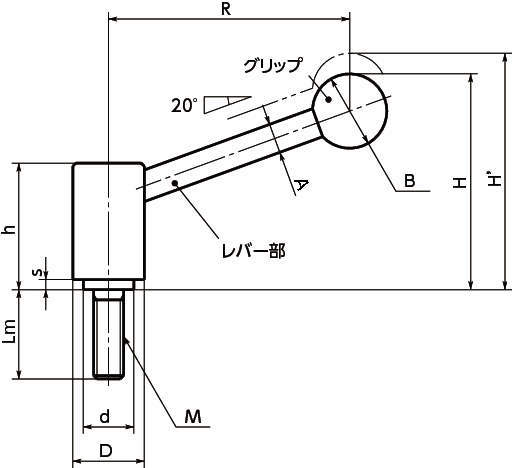
LTM 텐션레버(수나사) LTM 텐션레버(수나사)