상품 이미지 새창 보기

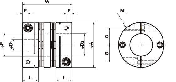
카프리콘(디스크타입) MDW시리즈 카프리콘(디스크타입) MDW시리즈