상품 이미지 새창 보기

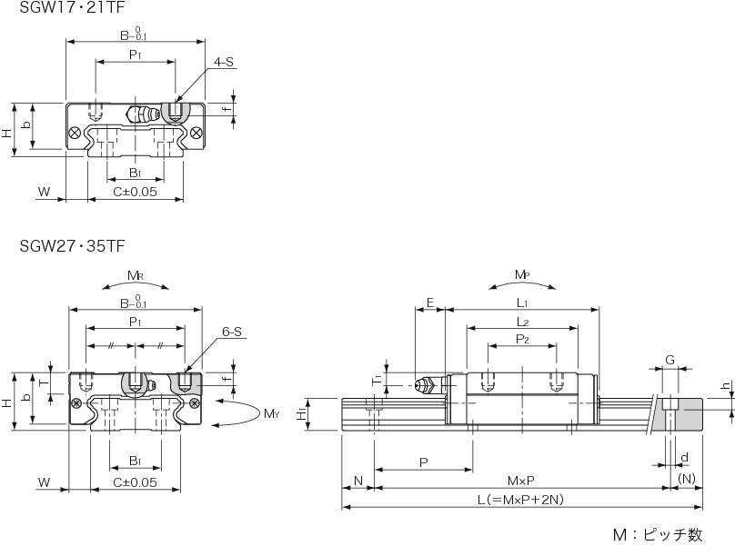
SGW-TF 슬라이드가이드(와이드타입) SGW-TF 슬라이드가이드(와이드타입)