상품 이미지 새창 보기

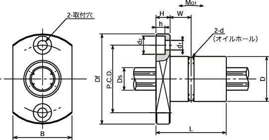
볼스플라인(2면모따기플랜지형) 볼스플라인(2면모따기플랜지형) 볼스플라인(2면모따기플랜지형)