상품 이미지 새창 보기

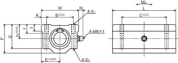
SMA-R 슬라이드로터리부시(블록형) SMA-R 슬라이드로터리부시(블록형) SMA-R 슬라이드로터리부시(블록형)