상품 이미지 새창 보기

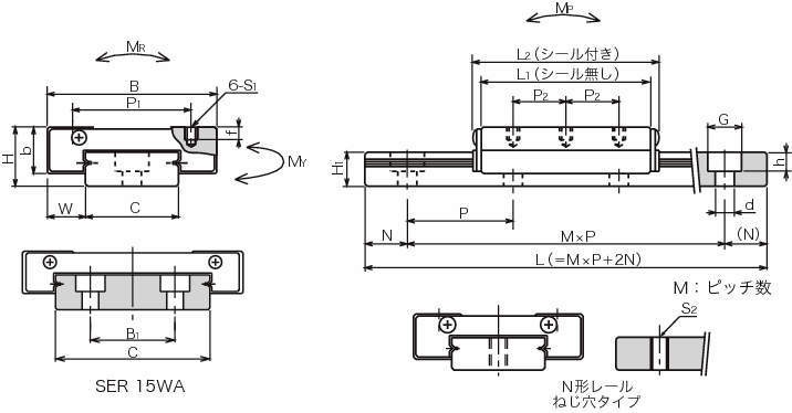
SER-WA 미니츄어슬라이드가이드(롤러식·와이드타입) SER-WA 미니츄어슬라이드가이드(롤러식·와이드타입)