상품 이미지 새창 보기

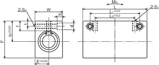
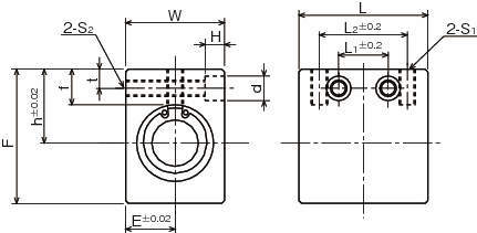
AK 슬라이드부시(컴팩트블록형) AK 슬라이드부시(컴팩트블록형) AK 슬라이드부시(컴팩트블록형)