상품 이미지 새창 보기

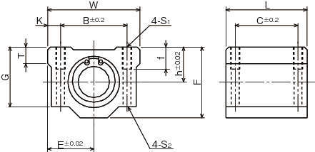
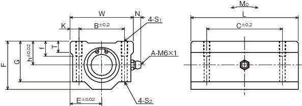
SMA 슬라이드부시(표준블록형) SMA 슬라이드부시(표준블록형) SMA 슬라이드부시(표준블록형)