상품 이미지 새창 보기

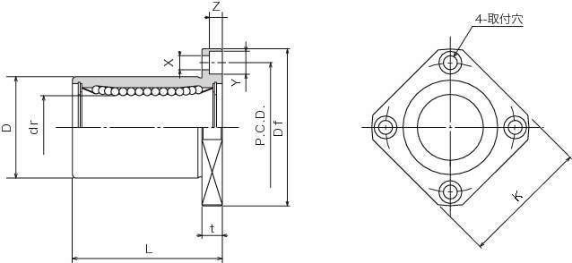
SMK 슬라이드부시(싱글·각플랜지형) SMK 슬라이드부시(싱글·각플랜지형)