상품 이미지 새창 보기

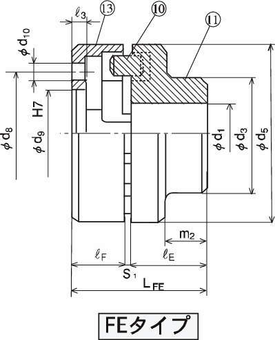
찬커플링 노멕스시리즈 FE타입 찬커플링 노멕스시리즈 FE타입 찬커플링 노멕스시리즈 FE타입