상품 이미지 새창 보기

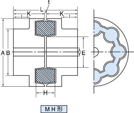
하이퍼플렉스커플링 MH형 하이퍼플렉스커플링 MH형