상품 이미지 새창 보기

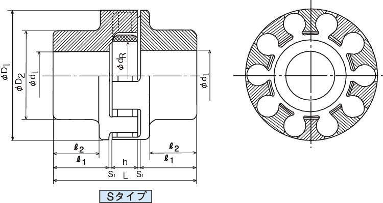
찬커플링 S시리즈 S타입 찬커플링 S시리즈 S타입