상품 이미지 새창 보기

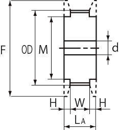
수퍼토르크타이밍풀리 S3M형(막대·알미늄타입) 수퍼토르크타이밍풀리 S3M형(막대·알미늄타입) 수퍼토르크타이밍풀리 S3M형(막대·알미늄타입) 수퍼토르크타이밍풀리 S3M형(막대·알미늄타입)