상품 이미지 새창 보기

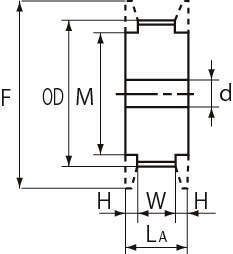
수퍼토르크타이밍풀리 S14M형 수퍼토르크타이밍풀리 S14M형 수퍼토르크타이밍풀리 S14M형 수퍼토르크타이밍풀리 S14M형