상품 이미지 새창 보기

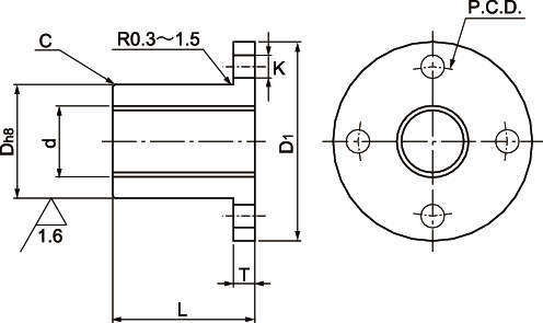
플랜지타입 너트 BSTR시리즈(오른나사) 플랜지타입 너트 BSTR시리즈(오른나사)