상품 이미지 새창 보기

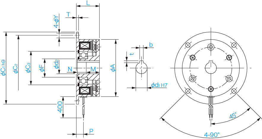
BSZ형 여자브레이크(원터치취부형) BSZ형 여자브레이크(원터치취부형)