상품 이미지 새창 보기

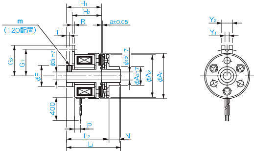
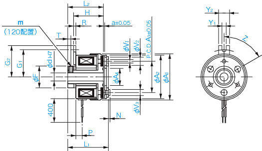
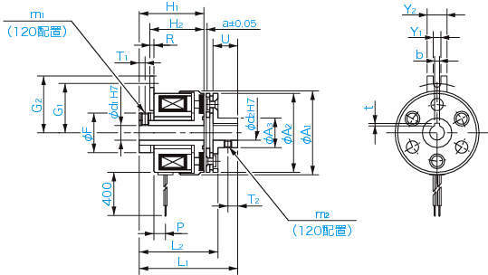
마이크로여자클러치 102형(베어링취부) 마이크로여자클러치 102형(베어링취부) 마이크로여자클러치 102형(베어링취부) 마이크로여자클러치 102형(베어링취부)