상품 이미지 새창 보기

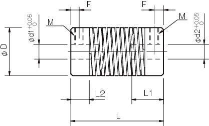
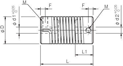
바우만풀렉스커플링 ZG·LM모델 바우만풀렉스커플링 ZG·LM모델 바우만풀렉스커플링 ZG·LM모델