상품 이미지 새창 보기

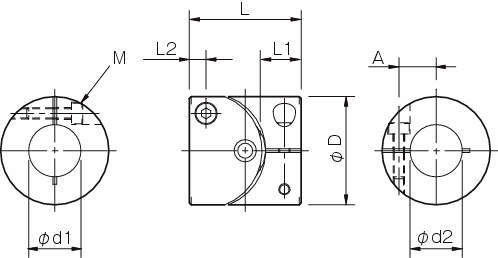
파라플렉스커플링 CPE모델 파라플렉스커플링 CPE모델