상품 이미지 새창 보기

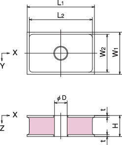
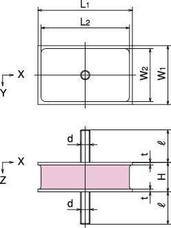
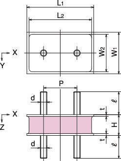
각형방진고무 RK 각형방진고무 RK 각형방진고무 RK 각형방진고무 RK