상품 이미지 새창 보기

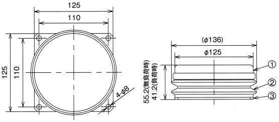
콤보마운트(방진용) 콤보마운트(방진용) 콤보마운트(방진용)