상품 이미지 새창 보기

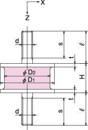
원형방진고무(고무경도45) KA-(45) 원형방진고무(고무경도45) KA-(45)