상품 이미지 새창 보기

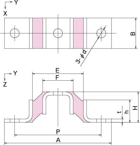
새들형방진고무 KE 새들형방진고무 KE