상품 이미지 새창 보기

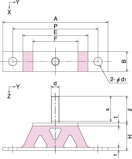
산형방진고무 KD 산형방진고무 KD