상품 이미지 새창 보기

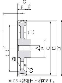
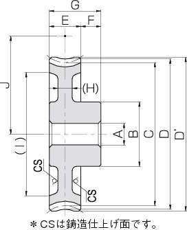
CG 웜휠 CG 웜휠 CG 웜휠 CG 웜휠