상품 이미지 새창 보기

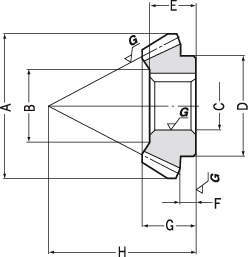
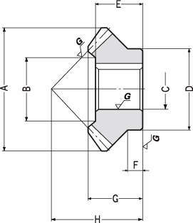
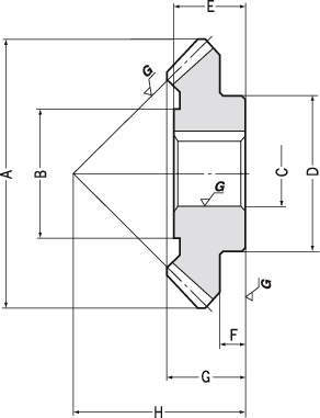
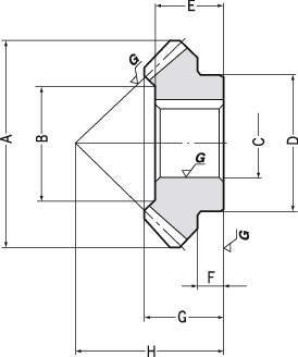
DB 성형 베벨기어 DB 성형 베벨기어 DB 성형 베벨기어 DB 성형 베벨기어 DB 성형 베벨기어