상품 이미지 새창 보기

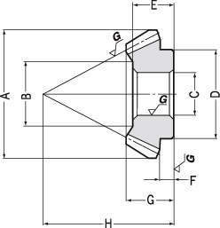
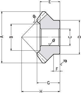
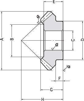
KSP 연마 스파이럴 베벨기어(추가공용) KSP 연마 스파이럴 베벨기어(추가공용) KSP 연마 스파이럴 베벨기어(추가공용) KSP 연마 스파이럴 베벨기어(추가공용)