상품 이미지 새창 보기

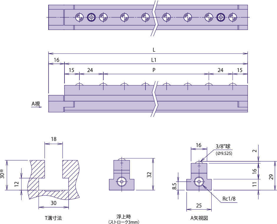
공기부상식 프리베어유니트 1625시리즈 공기부상식 프리베어유니트 1625시리즈 공기부상식 프리베어유니트 1625시리즈