상품 이미지 새창 보기

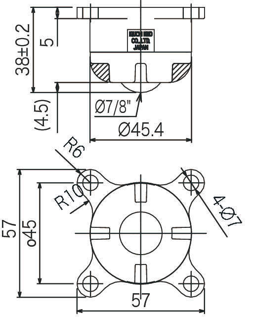
IPK형(전체수지제·아래방향용) IPK형(전체수지제·아래방향용)