상품 이미지 새창 보기

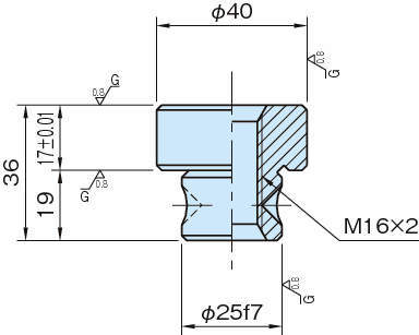
FJ55 로케이터 FJ55 로케이터