상품 이미지 새창 보기

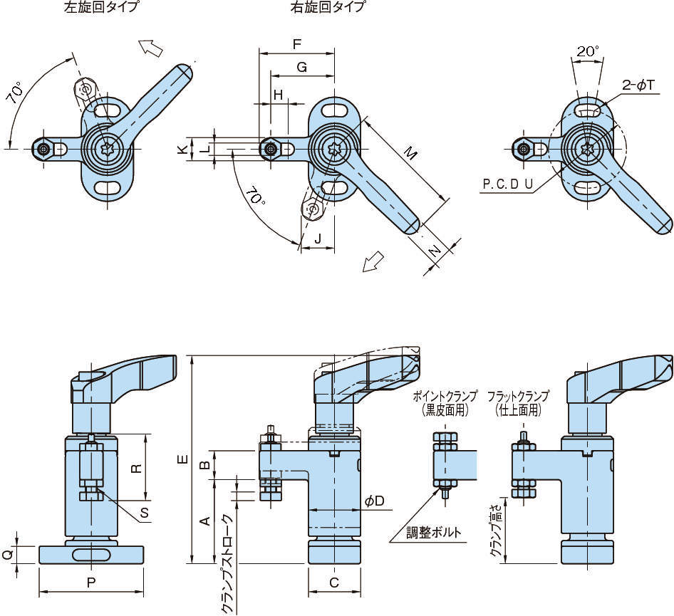
QLSWC 스윙클램프(클램프레버타입) QLSWC 스윙클램프(클램프레버타입)