상품 이미지 새창 보기

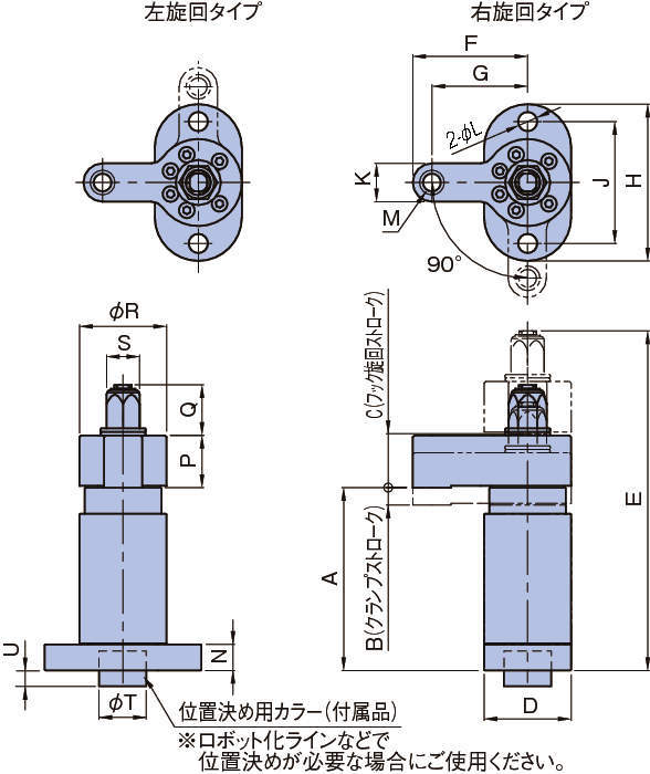
PTSW2 스윙클램프(스파이럴타입) PTSW2 스윙클램프(스파이럴타입)