상품 이미지 새창 보기

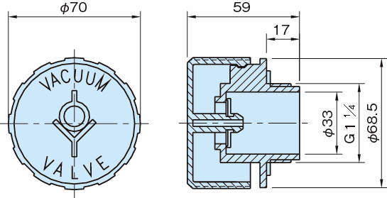
VLHS 밸브캡 VLHS 밸브캡